|
|
|
 |
|
萊州市恒儀試驗儀器有限公司 公司地址:山東省萊州市開發區玉安街888號 聯系電話:18562163626 手機:18562163626 E-MAIL:smith@metalreader.com 網址:http://m.sky-infinity.com |
 |
|
|
 |
通用金屬硬度計系列 |
您現在的位置:首頁 > 通用金屬硬度計系列 > HRS-150AT觸摸屏數顯洛氏硬度計 (自動變荷)-新外觀
|
|
|
HRS-150AT觸摸屏數顯洛氏硬度計 (自動變荷)-新外觀
|
| 發布時間:2022-05-12 00:00:00 閱讀:480次 |
|
|
|
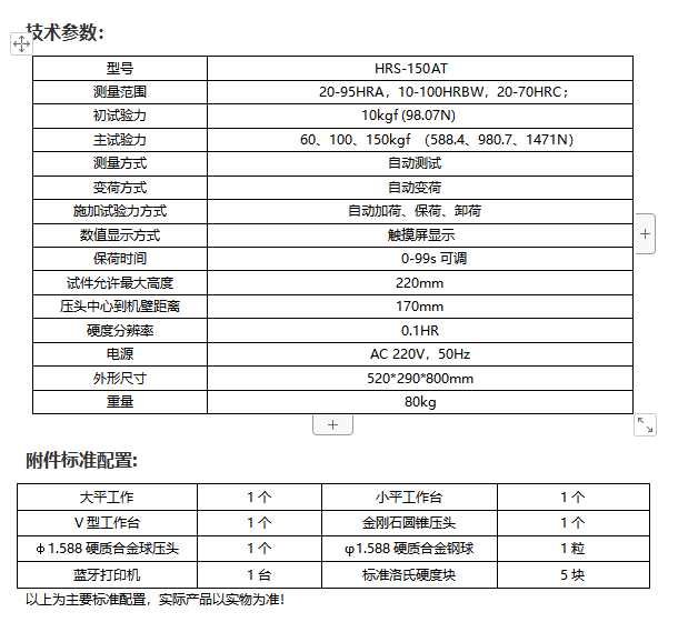
HRS-150AT觸摸屏數顯洛氏采用8寸觸摸屏和高速ARM處理器,顯示直觀,人機互動友好,操作簡便;運算速度快,數據庫廣量存儲,數據自動修正,并提供數據折線報表。
|
 |
|
 |
|
產品介紹: 1、機身部分使用優質鑄鐵一次澆鑄成型,配合以汽車烤漆處理工藝,外形圓潤美觀; 2、配備自動變荷系統,可實現一鍵變荷,從根本上解決了用戶選擇力值不對造成的試驗異常問題,方便了用戶,根除了操作隱患; 3、內置初試驗力保護裝置,達到對初試驗力的精準控制,當用戶旋轉絲杠手輪工件頂起壓頭接近正確高度時,初試驗力保護裝置提前發出剎車信號鎖緊絲杠,防止操作失誤; 4、帶有溫度測量功能,數字化測溫電路,長期工作,穩定可靠; 5、可設置硬度值的最大值和最小值,當測試值超過設定范圍時,發出報警音; 6、具有軟件硬度值修正功能,可以在一定范圍內直接對硬度值進行修正; 7、具有數據庫功能,對試驗數據自動進行分組保存,每組可保存10個數據,可以保存2000個以上數據; 8、具有硬度值曲線顯示功能,直觀顯示硬度值的變化; 9、數據庫可自動記錄標尺、試驗力、硬度值、溫度等參數; 10、系統對每組的硬度值自動計算最大值、最小值、平均值、標準差; 11、可自動進行全硬度標尺的單位轉換; 12、配置無線藍牙打印機,并可通過RS232、USB(可選裝)端口輸出數據; 13、具有獨立的小型照明燈,在光線不良時方便用戶操作。 14、精度符合GB/T230.2、ISO6508-2和美國ASTM E18標準。 應用范圍: 1、測定黑色金屬,有色金屬,非金屬材料的洛氏硬度; 2、淬火和調質等熱處理材料的洛氏硬度的測量,如硬質合金、滲碳鋼、淬火鋼、表面淬火鋼、硬鑄鋼,鋁合金、銅合金、可鍛鑄件、軟鋼、調質鋼、退火鋼、軸承等材料; 3、材料表面熱處理和化學表面處理的各種金屬材料。

|
|